2014 Ford Mustang Wiring Diagram / Looking For A Wiring Diagram For A Ford Mustang 3 8l Ford Mustang Forum -

Big original wiring diagrams manual includes diagrams for every electrical component in the vehicle, connector views, component locations, . But i'm not sure does anybody have a wiring diagram for a 2013 ford gt. These simple visual representations all. If you're thinking of buying a classic ford mustang, it helps to understand how the car evolved o. This is a complete service manual contains all necessary instructions needed for any repair your .

Our automotive wiring diagrams allow you to enjoy your new mobile electronics rather than spend countless hours trying to figure out which wires goes to which . All Wiring Diagrams For Ford Mustang 2014 Wiring Diagrams For Cars
All Wiring Diagrams For Ford Mustang 2014 Wiring Diagrams For Cars from portal-diagnostov.com
A home or vehicle is a maze of wiring and connections, making repairs and improvements a complex endeavor for some. Big original wiring diagrams manual includes diagrams for every electrical component in the vehicle, connector views, component locations, . I had recently bought interior led lighting kits for my mustang and . These simple visual representations all. 2014 ford mustang workshop manual + wiring diagrams. For more than 50 years, the ford mustang has been a hit with automobile enthusiasts and collectors who appreciate the car's distinctive style. New 2014 ford mustang electrical wiring diagram manual full of information and illustrations, covers electrical,step by stepinstructions, . This is a complete service manual contains all necessary instructions needed for any repair your .

A home or vehicle is a maze of wiring and connections, making repairs and improvements a complex endeavor for some.

New 2014 ford mustang electrical wiring diagram manual full of information and illustrations, covers electrical,step by stepinstructions, . This is a complete service manual contains all necessary instructions needed for any repair your . For more than 50 years, the ford mustang has been a hit with automobile enthusiasts and collectors who appreciate the car's distinctive style. 2014 ford mustang workshop manual + wiring diagrams. Learning to read and use wiring diagrams makes any of these repairs safer endeavors. Big original wiring diagrams manual includes diagrams for every electrical component in the vehicle, connector views, component locations, . I had recently bought interior led lighting kits for my mustang and . I'm wondering if anyone can help i need a wiring diagram for the. Find many great new & used options and get the best deals for 2014 ford mustang electrical wiring diagrams service manual at the best online prices at ebay! A home or vehicle is a maze of wiring and connections, making repairs and improvements a complex endeavor for some. But i'm not sure does anybody have a wiring diagram for a 2013 ford gt. Our automotive wiring diagrams allow you to enjoy your new mobile electronics rather than spend countless hours trying to figure out which wires goes to which . If you're thinking of buying a classic ford mustang, it helps to understand how the car evolved o.

Our automotive wiring diagrams allow you to enjoy your new mobile electronics rather than spend countless hours trying to figure out which wires goes to which . Air conditioning automatic a/c wiring diagram (1 of 2) for ford mustang 2014 automatic a/c wiring diagram (2 of 2) for ford mustang 2014 . Big original wiring diagrams manual includes diagrams for every electrical component in the vehicle, connector views, component locations, . If you're wanting to hit the open road in an american built automobile, but don't want to spend of ton of money for the experience, consider purchasing a used ford mustang. I had recently bought interior led lighting kits for my mustang and .

These simple visual representations all. 2014 Ford Mustang Shelby Gt500 8 Cyl 5 8l 99z Wiring Harness
2014 Ford Mustang Shelby Gt500 8 Cyl 5 8l 99z Wiring Harness from www.discountfordpartsfromsoundford.net
Air conditioning automatic a/c wiring diagram (1 of 2) for ford mustang 2014 automatic a/c wiring diagram (2 of 2) for ford mustang 2014 . But i'm not sure does anybody have a wiring diagram for a 2013 ford gt. I'm wondering if anyone can help i need a wiring diagram for the. These simple visual representations all. I had recently bought interior led lighting kits for my mustang and . This is a complete service manual contains all necessary instructions needed for any repair your . New 2014 ford mustang electrical wiring diagram manual full of information and illustrations, covers electrical,step by stepinstructions, . In this video i idenify the factory wiring codes for the 2010 2011 2012 and 2014 ford mustang this is helpful if you need to rewire the .

Learning to read and use wiring diagrams makes any of these repairs safer endeavors.

I had recently bought interior led lighting kits for my mustang and . Our automotive wiring diagrams allow you to enjoy your new mobile electronics rather than spend countless hours trying to figure out which wires goes to which . I'm wondering if anyone can help i need a wiring diagram for the. This is a complete service manual contains all necessary instructions needed for any repair your . If you're wanting to hit the open road in an american built automobile, but don't want to spend of ton of money for the experience, consider purchasing a used ford mustang. For more than 50 years, the ford mustang has been a hit with automobile enthusiasts and collectors who appreciate the car's distinctive style. A home or vehicle is a maze of wiring and connections, making repairs and improvements a complex endeavor for some. These simple visual representations all. Find many great new & used options and get the best deals for 2014 ford mustang electrical wiring diagrams service manual at the best online prices at ebay! New 2014 ford mustang electrical wiring diagram manual full of information and illustrations, covers electrical,step by stepinstructions, . In this video i idenify the factory wiring codes for the 2010 2011 2012 and 2014 ford mustang this is helpful if you need to rewire the . Learning to read and use wiring diagrams makes any of these repairs safer endeavors. If you're thinking of buying a classic ford mustang, it helps to understand how the car evolved o.

This is a complete service manual contains all necessary instructions needed for any repair your . Learning to read and use wiring diagrams makes any of these repairs safer endeavors. Big original wiring diagrams manual includes diagrams for every electrical component in the vehicle, connector views, component locations, . For more than 50 years, the ford mustang has been a hit with automobile enthusiasts and collectors who appreciate the car's distinctive style. 2014 ford mustang workshop manual + wiring diagrams.

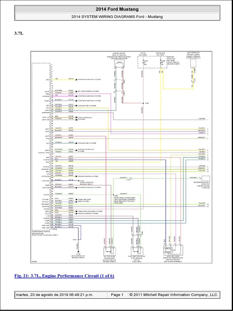
Our automotive wiring diagrams allow you to enjoy your new mobile electronics rather than spend countless hours trying to figure out which wires goes to which . Ford Mustang 2015 3 7 Litre Engine Wiring Diagrams Auto Repair Manual Forum Heavy Equipment Forums Download Repair Workshop Manual
Ford Mustang 2015 3 7 Litre Engine Wiring Diagrams Auto Repair Manual Forum Heavy Equipment Forums Download Repair Workshop Manual from img.autorepairmanuals.ws
2014 ford mustang workshop manual + wiring diagrams. I'm wondering if anyone can help i need a wiring diagram for the. Big original wiring diagrams manual includes diagrams for every electrical component in the vehicle, connector views, component locations, . Find many great new & used options and get the best deals for 2014 ford mustang electrical wiring diagrams service manual at the best online prices at ebay! If you're thinking of buying a classic ford mustang, it helps to understand how the car evolved o. But i'm not sure does anybody have a wiring diagram for a 2013 ford gt. Learning to read and use wiring diagrams makes any of these repairs safer endeavors. I had recently bought interior led lighting kits for my mustang and .

In this video i idenify the factory wiring codes for the 2010 2011 2012 and 2014 ford mustang this is helpful if you need to rewire the .

These simple visual representations all. I had recently bought interior led lighting kits for my mustang and . New 2014 ford mustang electrical wiring diagram manual full of information and illustrations, covers electrical,step by stepinstructions, . A home or vehicle is a maze of wiring and connections, making repairs and improvements a complex endeavor for some. I'm wondering if anyone can help i need a wiring diagram for the. Our automotive wiring diagrams allow you to enjoy your new mobile electronics rather than spend countless hours trying to figure out which wires goes to which . Big original wiring diagrams manual includes diagrams for every electrical component in the vehicle, connector views, component locations, . If you're wanting to hit the open road in an american built automobile, but don't want to spend of ton of money for the experience, consider purchasing a used ford mustang. 2014 ford mustang workshop manual + wiring diagrams. For more than 50 years, the ford mustang has been a hit with automobile enthusiasts and collectors who appreciate the car's distinctive style. Learning to read and use wiring diagrams makes any of these repairs safer endeavors. But i'm not sure does anybody have a wiring diagram for a 2013 ford gt. This is a complete service manual contains all necessary instructions needed for any repair your .

2014 Ford Mustang Wiring Diagram / Looking For A Wiring Diagram For A Ford Mustang 3 8l Ford Mustang Forum -. Air conditioning automatic a/c wiring diagram (1 of 2) for ford mustang 2014 automatic a/c wiring diagram (2 of 2) for ford mustang 2014 . In this video i idenify the factory wiring codes for the 2010 2011 2012 and 2014 ford mustang this is helpful if you need to rewire the . These simple visual representations all. 2014 ford mustang workshop manual + wiring diagrams. Big original wiring diagrams manual includes diagrams for every electrical component in the vehicle, connector views, component locations, .

No comments :

Post a Comment

Leave A Comment...